產品展示
質量贏得尊重,誠信獲得尊嚴
熱忱歡迎社會各界朋友前來洽談、合作。
當前位置:首頁 > 產品展示
WBZG半橋周邊傳動刮泥機

工作原理
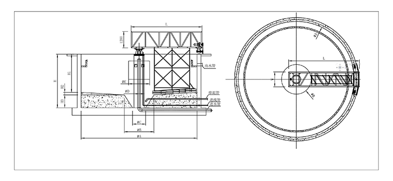
周邊傳動刮泥機由工作橋、刮臂及刮泥板組件、中心支座、驅動機構、集電器、電控箱等主件和出水三角堰板、穩流筒、擋渣板、浮渣刮板等組成。
工作橋由安裝在周邊的驅動機構帶動,繞安裝在池中心支墩上的中心支座旋轉。懸掛在工作橋下的刮臂拖動對數螺旋線刮泥板旋轉,沉淀在池底的污泥由刮泥板收集至中央集泥坑。液面上的浮渣在浮渣刮板和周邊擋渣板形成的漸縮區域內集中,由浮渣刮耙扒到集渣斗,排出池外。
型號意義
應用領域
主要用于輻流式初沉,二沉池的排泥,也可用于濃縮池的排泥,是一種新型的刮泥機
● 工作橋采用桁架結構,簡潔、美觀、輕巧。
● 維護簡單方便,運行費用低。
● 傳動減速機多種選擇:采用軸裝式,結構簡單緊湊,檢修方便;采用擺線針輪減速機,價廉物美、傳動效率高。
● 根據用戶需要,行走輪輪面材料可以選用工程橡膠輪(標準配置)、鋼輪、尼龍輪、聚氨酯輪。
● 高效率的對數螺旋線刮泥板,保證了刮集污泥的可靠性。
● 電氣元件均采用戶外型,安全可靠,可隨機控制和遠程控制。
● 設備可以按用戶特定尺寸制造。與水接觸的部件可以用不銹鋼制作。
|
型號 modle |
池徑(A) Capacity |
池周邊深(H1) Depth |
周邊線速度 Peripheral line velocity |
驅動功率 Driving |
導流筒?E Draft tube |
池底坡度 Bottom slope |
| m | m | m/min | KW | m | % | |
| WBZG-3 | 3 | 3.0~4.0 | 2 | 0.55 | 0.8 | 5~8 |
| WBZG-4 | 4 | 3.0~4.0 | 2 | 0.55 | 1 | 5~8 |
| WBZG-5 | 5 | 3.0~4.0 | 2 | 0.55 | 1.2 | 5~8 |
| WBZG-6 | 6 | 3.0~4.0 | 2 | 0.55 | 1.4 | 5~8 |
| WBZG-7 | 7 | 3.0~4.0 | 1.8 | 0.75 | 1.4 | 5~8 |
| WBZG-8 | 8 | 3.0~4.0 | 1.8 | 0.75 | 1.5 | 5~8 |
| WBZG-10 | 10 | 3.0~4.0 | 1.8 | 1.1 | 1.5 | 5~8 |
| WBZG-12 | 12 | 3.0~4.0 | 1.8 | 1.1 | 1.5 | 5~8 |
| WBZG-14 | 14 | 3.0~4.0 | 1.8 | 1.1 | 1.5 | 5~8 |
| WBZG-16 | 16 | 3.0~4.0 | 1.8 | 1.5 | 1.8 | 5~8 |
| WBZG-18 | 18 | 3.0~4.0 | 1.8 | 1.5 | 2 | 5~8 |
| WBZG-20 | 20 | 3.0~4.0 | 1.8 | 1.5 | 2.2 | 5~8 |


